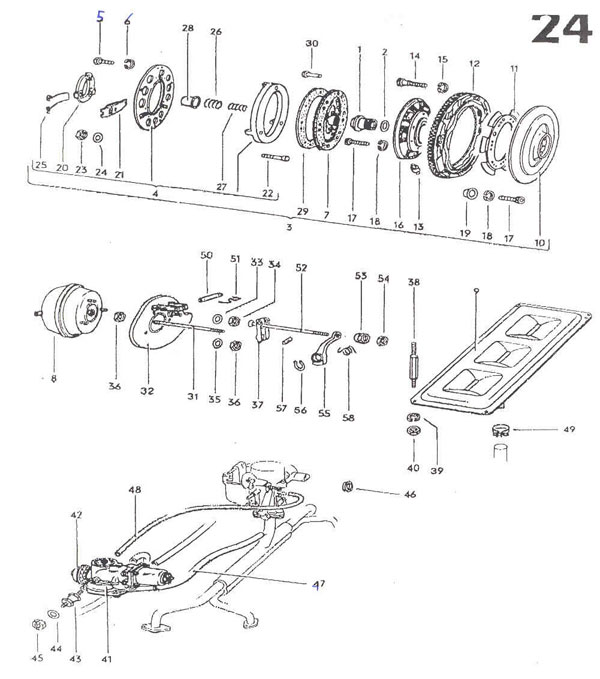
| Picture: |
Sparepartnumber: |
Part-name: |
Pieces: |
Typ
and Modell: |
| |
|
|
|
|
| |
|
Automatic
Clutch (Saxomat) M5 |
|
|
| |
|
|
|
|
| 1 |
113
105 305 |
hollow
screw with needlebearing |
1 |
|
| 2 |
113
105 317 |
layer
for needlebearing |
1 |
|
| 3 |
113
142 021 |
clutch
with clutchhood |
1 |
|
4 |
113
142 025 |
clutchcover
and pressuredisc |
1 |
|
| 5 |
N
10 212 3 |
bolt
M6x12 |
6 |
|
| 6 |
N
12 006 2 |
springlayer
B6 |
6 |
|
| 7 |
113
142 031 |
clutchdisc |
1 |
|
| 8 |
113
142 055 |
servomotor |
1 |
|
| |
-
113 142 061 |
vacuumtank |
1 |
141-144,151-152
for chassis 5199980 until 6502399 M5: 141-144 |
| 9 |
113
142 061 A |
vacuumtank |
1 |
1
M5: 113,114,151,152 for chassis 5199980 until 6502399
and forwarts chassis 115000001 1 M5 |
| |
-
N 10 241 3 |
bolt
M8x22 |
1 |
for
chassis up to 5199979 3 M5: 113,114,141-144, 151,152 for
chassis 5199980 until 6502399 3 M5: 141-144 |
| |
-
N 12 228 2 |
springlayerB8 |
3 |
M5:
113,114, for chassis up to 5199979 141-144,151,152 for
chassis 5199980 until 6502399 3 M5: 141-144 |
| 10 |
113
142 071 |
flywheel |
1 |
|
| 11 |
113
142 073 |
centrifugal-disc |
1 |
|
| 12 |
113
142 081 |
roller-house |
1 |
|
| 13 |
113
142 091 |
roller-flyweight |
10 |
|
| 14 |
113
142 093 |
cylinderbolt
M6x12 |
9 |
|
| 15 |
N
12 026 1 |
springlayer
6 |
9 |
|
| 16 |
113
142 095 |
free
wheel with drive-house |
1 |
|
| 17 |
113
142 105 |
cylinderbolt
M6x12 |
2 |
|
| 18 |
N
12 026 1 |
springlayer
6 |
9 |
|
| 19 |
113
142 109 |
strech-pieces |
9 |
|
| 20 |
113
142 125 |
free-run
layer |
1 |
|
| 21 |
113
142 129 |
free
run arm |
3 |
|
| 22 |
113
142 133 |
bolts for arm |
3 |
|
| 23 |
113
142 137 |
special
nuts for bolts |
3 |
|
| 24 |
113
142 139 |
layers
for special nuts |
3 |
|
| 25 |
113
142 141 |
spring-clip |
3 |
|
| 26 |
113
142 151 |
clutch spring outside |
9 |
|
| 27 |
113
142 155 |
clutch
spring inside |
9 |
|
| 28 |
113
142 161 |
case
for clutch-pressurespring |
9 |
|
| |
-
111 141 165 |
bearing
and case |
1 |
|
| |
-
111 141 177 |
springclip
for bearing |
2 |
|
| 29 |
113
142 191 |
clutch/friction
materialparts |
2 |
|
| 30 |
113
142 195 |
rivet
for friction parts |
12 |
|
| 31 |
113
142 301 |
pistonrod
for servomotor |
1 |
|
| 32 |
311
142 303 |
bracket
for servomotor |
1 |
for
chassis forwarts 5199980 |
| 33 |
N
12 232 1 |
springlayer
B12 |
1 |
for
chassis forwarts 5199980 |
| 34 |
N 11 020 |
2
bolt M12x1,5 |
1 |
for
chassis forwarts 5199980 |
| |
-
113 142 305 |
bracket
for servomotor |
1 |
for
chassis up to 5199979 |
| |
-
113 142 315 |
manchette
for servomotor |
1 |
for
chassis up to 5199979 |
| 35 |
N 12 008 2 |
springlayer
B8 |
3 |
|
| 36 |
N
11 008 |
bolt
M8 |
4 |
|
| |
-
N 14 395 3 |
stift-bolt
AM 8 A |
x42 |
for
bracket 3 for chassis up to 5199979 |
| |
-
N 12 228 2 |
springlayer
B8 |
3 |
for
chassis up to 5199979 |
| |
-
N 11 008 8 |
bolt
M8 |
3 |
for
chassis up to 5199979 |
| 37 |
311
142 319 |
arm
for clutchrod |
1 |
for
chassis forwarts 5199980 |
| 38 |
113
142 347 A |
distance
bolts for vacuumtank |
4 |
for
chassis forwarts 5199980 |
| 39 |
N
12 234 1 |
springlayer
B7 |
4 |
for
chassis forwarts 5199980 |
| 40 |
N
11 007 1 |
Bolts
M7 |
4 |
for
chassis forwarts 5199980 |
| 41 |
113
142 351 |
valveblock
6Volt for Saxomat |
1 |
|
| 42 |
113
142 353 |
airfilter
for valveblock |
1 |
|
| 43 |
113
142 355 A |
gummi/metall
bearing for valveblock |
3 |
|
| 44 |
N
12 006 2 |
springlayer
B6 |
3 |
|
| 45 |
N
11 006 2 |
bolt
M6 |
3 |
|
| 46 |
113
142 357 |
tulle
for tube connection |
1 |
|
| 47 |
N
20 390 1 |
tube
12x3,5 as needed |
|
|
| 48 |
113
142 367 |
connection
tube 4,5x620 |
1 |
|
| 49 |
113
142 371 A |
tube
clip |
6 |
|
| 50 |
113
142 391 |
Bolt
8x45x38 |
1 |
for
chassis forwarts 5199980 |
| 51 |
113
142 393 |
safety
clip for bolts |
1 |
for
chassis forwarts 5199980 |
| 52 |
311
142 711 |
clutchrod
for servomotor |
1 |
for
chassis forwarts 5199980 |
| 53 |
111
721 349 A |
adjustment
nut M7 for clutchrod |
1 |
for
chassis forwarts 5199980 |
| 54 |
N
11 007 1 |
bolt
M7 |
1 |
for
chassis forwarts 5199980 |
| (52) |
113
142 715 |
clutchrod
for servomotor |
1 |
for
chassis up to 5199979 |
| |
-
113 142 717 |
(between)plate |
1 |
for
chassis up to 5199979 |
| (55) |
113
142 719 A |
clutchrod |
1 |
for
chassis up to 5199979 |
| 55 |
111
141 719 B |
clutchrod |
1 |
for
chassis forwarts 5199980 |
| 56 |
N
12 416 1 |
safety
clip 16x1 |
1 |
|
| |
-
N 10 230 3 |
bolt
BM 10x30K |
1 |
for
chassis up to 3399498 |
| |
-
N 10 252 4 |
bolt
M10x20 |
1 |
for
chassis 339499 until 5199979 |
| |
-
N 12 231 1 |
springdisc
A10 |
1 |
for
chassis up to 5199979 |
| |
-
N 11 010 4 |
bolt
M10 |
1 |
for
chassis up to 3399498 |
| |
113
142 721 |
adjustment
nut for clutchrod |
1 |
for
chassis up to 5199979 |
| 57 |
311
142 721 |
adjustment
nut for pistonrod |
1 |
for
chassis forwarts 5199980 |
| (57) |
N
12 608 1 |
safety
nut M8 |
1 |
for
chassis up to 5199979 |
| |
-
N 12 512 1 |
split-clip
2x12 |
1 |
|
| 58 |
113
141 723 |
pull-back
spring for clutcharm |
1 |
for
chassis forwarts 5199980 |
| (58) |
113
142 723 |
pull-back
spring for clutcharm |
1 |
for
chassis up to 5199979 |
| |
|
|
|
|